Home Forums Articles How To's FAQ Register
Go Back   Xoutpost.com > BMW SAV Forums > X5 (E53) Forum
Arnott
User Name
Password
Member List Premier Membership Today's Posts New Posts

Xoutpost server transfer and maintenance is occurring....
Xoutpost is currently undergoing a planned server migration.... stay tuned for new developments.... sincerely, the management


Reply
 
LinkBack Thread Tools Display Modes
  #91  
Old 04-15-2009, 10:35 AM
dolphin_4_u's Avatar
Member
 
Join Date: Nov 2008
Location: Dominican Republic
Posts: 165
dolphin_4_u is on a distinguished road
Quote:
Originally Posted by simoncpw
Hey weasel,

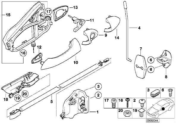
Looks like the price of the handle (#10) is not that bad (US$32 each). Cost of a good paint job will probably be about the same or more, and I don't have to take the car down for a couple of days.

Question:
1) taking the handles out easy? Just remove the door panels and unscrew the handles? Any airbag risks?
2) what does "prime-coated" mean? Matt Black? same look as the black trims on the bumpers?
3) I hate the keyhole and I never use it anyway. And since mine is a RHD, can I use the part #14 for LHD and replace part #09 for RHD?

Thanks man.

Attachment 32081
I can help you a little here... "PRIME-COATED" refers to it being primed for painting, the primer is a base used on every piece before aplying the paint so the paint sticks better, it is sprayed just like the paint and is usually grey color. As far as replacing the keyhole I suppose it can be done since there's not much science to it but I'm no pro in this area so don't take my word for it.
Reply With Quote

Sponsored Links

  #92  
Old 04-15-2009, 11:23 AM
dvs's Avatar
dvs dvs is offline
Member
 
Join Date: Oct 2006
Location: New Jersey
Posts: 439
dvs is on a distinguished road
Your X looks great! Tastefully done.
__________________

2012 X6 ///M Sapphire Black/Black Pref Full Leather
2007 Alpina B7 - Alpina Blue II/Creme SOLD
2004 X5 4.4i - Toledo Blue/Grey SOLD
1994 300ZX TT - Black/Black
Reply With Quote
  #93  
Old 04-15-2009, 11:49 AM
simoncpw's Avatar
Member
 
Join Date: Jun 2005
Location: X5 world
Posts: 528
simoncpw is on a distinguished road
Quote:
Originally Posted by dolphin_4_u
and is usually grey color.
dolphine_4_u- So it's not black / dark grey? I want it to look close to the black trim on the bumer and flares. If I don't spray them will they look weird? The idea to buy these was to save my spraying time and cost!

Essam- know where I can find the pics?

dvs- Thanks. And so is yours ;-)
__________________

Here's the Photo Album of my (sold) X3; Album of my (newish) X5 is on the way!
(WARNING: read this before you buy anything from Umnitza)
Reply With Quote
  #94  
Old 04-15-2009, 12:08 PM
Essam Khafagi's Avatar
Member
 
Join Date: Nov 2006
Location: Egypt
Posts: 1,040
Essam Khafagi is on a distinguished road






__________________
BMW 1M 2012 - Current
Jeep Grand Cherokee Limited 2011 - Current
BMW E93 330i Convertible 2009 - Sold
BMW E46 320i 2004 - Sold
BMW X5 4.4i 2002 - Sold
VW Golf GTI 2000 - Sold
BMW 740i 1996 - Sold
Reply With Quote
  #95  
Old 04-15-2009, 12:37 PM
Essam Khafagi's Avatar
Member
 
Join Date: Nov 2006
Location: Egypt
Posts: 1,040
Essam Khafagi is on a distinguished road






__________________
BMW 1M 2012 - Current
Jeep Grand Cherokee Limited 2011 - Current
BMW E93 330i Convertible 2009 - Sold
BMW E46 320i 2004 - Sold
BMW X5 4.4i 2002 - Sold
VW Golf GTI 2000 - Sold
BMW 740i 1996 - Sold
Reply With Quote
  #96  
Old 04-15-2009, 12:43 PM
Essam Khafagi's Avatar
Member
 
Join Date: Nov 2006
Location: Egypt
Posts: 1,040
Essam Khafagi is on a distinguished road



__________________
BMW 1M 2012 - Current
Jeep Grand Cherokee Limited 2011 - Current
BMW E93 330i Convertible 2009 - Sold
BMW E46 320i 2004 - Sold
BMW X5 4.4i 2002 - Sold
VW Golf GTI 2000 - Sold
BMW 740i 1996 - Sold
Reply With Quote
  #97  
Old 04-15-2009, 08:09 PM
Weasel's Avatar
Almost never on here anymore :(
 
Join Date: Jul 2008
Location: New Orleans, La
Posts: 6,892
Weasel will become famous soon enough
And to remove the handle, open the door and remove the plastic plug by the key hole on the inner side of the door. Then loosen the allen bolt to remove the lock cylinder. Pull the lock out. Then when you look in the hole you wil see a t-20 torx on the inner part of the handle... loosen that (should go in, not come out) then it is just a matter of pulling the handle out and turning it up to release the other side.

reverse that to re-install.
__________________
"When you do things right, people won't be sure you've done anything at all" (Bender, futurama)

You make something idiotproof, they'll make a better idiot


You think professional is expensive, just wait until you pay for amateur.

Never let your sense of morals prevent you from doing what is right.

Examine what is said, not who speaks.

X5 pics

RIP 4.6is.....

2003 4.6is
Reply With Quote
  #98  
Old 04-15-2009, 08:39 PM
simoncpw's Avatar
Member
 
Join Date: Jun 2005
Location: X5 world
Posts: 528
simoncpw is on a distinguished road
weasel56- thanks man. will give it a go. Any idea if the "prime-coated" will look similar to the black trim on the bumpers and flares?

Essam- the red looks Red Hot! Can wait to see one on a Titan Silver X ;-)
__________________

Here's the Photo Album of my (sold) X3; Album of my (newish) X5 is on the way!
(WARNING: read this before you buy anything from Umnitza)
Reply With Quote
  #99  
Old 04-15-2009, 09:28 PM
Weasel's Avatar
Almost never on here anymore :(
 
Join Date: Jul 2008
Location: New Orleans, La
Posts: 6,892
Weasel will become famous soon enough
No idea... I never see them in the unpainted stage. But the paint just being a primer would not be durable anyways... You should get them painted the way youo want for the best quality. Also that allows you to choose flat black, semi gloss or full gloss.
__________________
"When you do things right, people won't be sure you've done anything at all" (Bender, futurama)

You make something idiotproof, they'll make a better idiot


You think professional is expensive, just wait until you pay for amateur.

Never let your sense of morals prevent you from doing what is right.

Examine what is said, not who speaks.

X5 pics

RIP 4.6is.....

2003 4.6is
Reply With Quote
  #100  
Old 04-15-2009, 09:38 PM
simoncpw's Avatar
Member
 
Join Date: Jun 2005
Location: X5 world
Posts: 528
simoncpw is on a distinguished road
Got it! If that's the case, there's no benefit to buy new handles so I'll probably just paint over my stock ones.

One last question, are the front / rear door handles the exactly same on one side (it seems so from the part numbers)?

Quote:
Originally Posted by weasel56
No idea... I never see them in the unpainted stage. But the paint just being a primer would not be durable anyways... You should get them painted the way youo want for the best quality. Also that allows you to choose flat black, semi gloss or full gloss.
__________________

Here's the Photo Album of my (sold) X3; Album of my (newish) X5 is on the way!
(WARNING: read this before you buy anything from Umnitza)
Reply With Quote
Reply

Bookmarks


Posting Rules
You may not post new threads
You may not post replies
You may not post attachments
You may not edit your posts

BB code is On
Smilies are On
[IMG] code is On
HTML code is Off
Trackbacks are On
Pingbacks are On
Refbacks are On





All times are GMT -4. The time now is 01:03 PM.
vBulletin, Copyright 2026, Jelsoft Enterprises Ltd. SEO by vBSEO 3.6.0
© 2017 Xoutpost.com. All rights reserved. Xoutpost.com is a private enthusiast site not associated with BMW AG.
The BMW name, marks, M stripe logo, and Roundel logo as well as X3, X5 and X6 designations used in the pages of this Web Site are the property of BMW AG.
This web site is not sponsored or affiliated in any way with BMW AG or any of its subsidiaries.